MMCX Jack connector
  • MMCX Jack connector
  • MMCX Jack connector
MMCX Jack connector MMCX Jack connector

MMCX Jack connector

90°MMCX Jack

Frequency range: 0 to 6GHz

Impedance:50Ω

Customizable on demand


Last productNext product

Which of our products are interested in, please fill in some specific, convenient for us to serve you!

Name:

Tel:

E-mail:

Country:

Interested product name :

CAPTCHA:

Submit the information to obtain product spec sheet,Please make sure that your email address is absolutely correct!

Get product quotes
  • Specification
  • Application scenario
  • Our advantage
  • FAQ

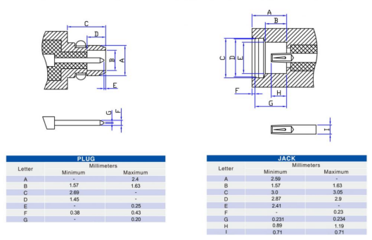
Specification


Electrical performance parameter
Temperature range -55 ~ +165°C
Impedance50 Ω
Frequency rangeDC to 6GHz
Operating voltage170V Max
Withstand voltage500V RMS
Directionbend
InstallationPCB
Contact resistance
Center contact≤ 5 mΩ
External contact≤ 2.5mΩ
Insulation resistance≥ 1000 MΩ
Standing wave ratio≤1.25
Durability (kit) ≥500 (cycles)
Materials and electroplating
Casebrass, gold plated
Elastic contactberyllium copper plated
Inner conductorberyllium or tin brass plated
InsulatorPTFE
PINbrass plated
The MMCX interface, which was developed in the 1990s, uses a tape-in connection that can rotate 360 degrees. The characteristic impedance is usually 50 ohms. The MMCX interface is commonly found in the antenna interface on the wireless PC card of personal computers, and in the GPS communication antenna jack of some PDAs and GPS navigation devices. In some in-ear headphones, MMCX interface will also be used in order to replace the data cable.


Application scenario

Main communication applications: cellular mobile communication systems. Microwave communication systems. Short wave defense systems. Broadband networks. Land mobile radio systems

Our advantage

It can be rotated 360 degrees by inserting clamping connection. Usually its characteristic impedance is 50 ohms. MMCX interfaces are commonly found in antenna ports on wireless PC cards in personal computers and GPS communication antenna ports in some PDAs and GPS navigation devices. On some in-ear headphones, the MMCX port is also used for data cable replacement.

FAQ

-->
Antenna

    TV Antenna

    Car Antenna

    router Antenna

    Antenna Jammer

    Anti drone Antenna

    Base station antenna

    Marine Radio Antenna





IOT

    3G

    4G

    5G

    GPS

    VHF

    UHF





CONTACT US

    facebook.jpg    linkedin.jpg   pinterest.jpg   twitter.jpg

    Taiwan Yong-shun Technology Co., Ltd.

    Kent Yang

    E-mail:kent@yong-shun.com.tw

    E-mail:chieh@yong-shun.com.tw

    whatsApp+86 138 2884 0866

    Phone:886 981 660 710




Copyright © Taiwan Yong-shun Technology Co., Ltd. All Rights Reserved

Top