N Jack for Cable RG316/174
  • N Jack for Cable RG316/174
  • N Jack for Cable RG316/174
N Jack for Cable RG316/174 N Jack for Cable RG316/174

N Jack for Cable RG316/174

N Jack for Cable RG316/174

Frequency range: 0 to 6GHz

V.S.W.R: ≤1.3

Impedance:50Ω

Customizable on demand

Last productNext product

Which of our products are interested in, please fill in some specific, convenient for us to serve you!

Name:

Tel:

E-mail:

Country:

Interested product name :

CAPTCHA:

Submit the information to obtain product spec sheet,Please make sure that your email address is absolutely correct!

Get product quotes
  • Specification
  • Application scenario
  • Our advantage
  • FAQ

Specification

Electrical performance parameter
Frequency range DC-11GHz
Voltage resistance ≧15000V
Characteristic impedance 50Ω
Insulation resistance≧5000MΩ
Inner conductor≦1.0mΩ
Outer conductor≦0.2 MΩ
V.S.W.R≦1.3
Temperature range -45℃ to 85℃
Durability≧500
Materials and Coatings
Casebrass nickel plated
Inner conductorberyllium copper gold plated
Insulatorptfe
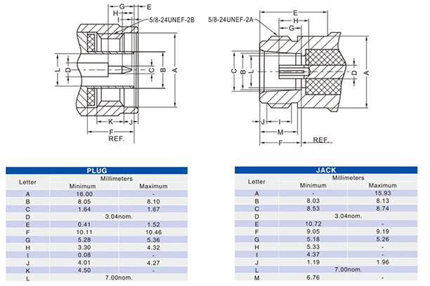
N-type Connector, commonly known as n-head, is a kind of coaxial cable Connector, full name Nut Connector (Nut Connector). It is threaded and can be swivel-locked. The Navy, a threaded joint, was introduced in 1940 and is mainly used in military systems below 4GHz. In 1960, the operating frequency was improved to 12GHz, and then increased to 18GHz, commonly used for 50 ω, some 75 ω products also use n-type design, its inner conductor diameter is smaller, and 50 ω connector is incompatible. N-type connector is a kind of medium power connector connected by screw thread. It has the characteristics of high reliability, strong vibration resistance, excellent mechanical and electrical performance, etc. It is widely used in radio equipment and instruments under vibration and harsh environmental conditions, and the ground transmission system to connect rf coaxial cable.



Application scenario

Main applications: wireless, telecommunication system, outdoor RF cable, instrumentation, waveguide transmission system

Our advantage

Product advantage: N series is a kind of high-power RF connector with threaded connection structure, which has the characteristics of strong shock resistance, high reliability and excellent mechanical and electrical performance. It is used for rf cable of radio equipment and ground transmission system connector under vibration and harsh environment conditions.

FAQ

-->
Antenna

    TV Antenna

    Car Antenna

    router Antenna

    Antenna Jammer

    Anti drone Antenna

    Base station antenna

    Marine Radio Antenna





IOT

    3G

    4G

    5G

    GPS

    VHF

    UHF





CONTACT US

    facebook.jpg    linkedin.jpg   pinterest.jpg   twitter.jpg

    Taiwan Yong-shun Technology Co., Ltd.

    Kent Yang

    E-mail:kent@yong-shun.com.tw

    E-mail:chieh@yong-shun.com.tw

    whatsApp+86 138 2884 0866

    Phone:886 981 660 710




Copyright © Taiwan Yong-shun Technology Co., Ltd. All Rights Reserved

Top