SMA (f) Jack for PCB
  • SMA (f) Jack for PCB
  • SMA (f) Jack for PCB
SMA (f) Jack for PCB SMA (f) Jack for PCB

SMA (f) Jack for PCB

SMA (f) Jack for PCB

Frequency range: 0 to 6GHz

V.S.W.R: ≤1.15

Impedance:50Ω

Customizable on demand 

Last productNext product

Which of our products are interested in, please fill in some specific, convenient for us to serve you!

Name:

Tel:

E-mail:

Country:

Interested product name :

CAPTCHA:

Submit the information to obtain product spec sheet,Please make sure that your email address is absolutely correct!

Get product quotes
  • Specification
  • Application scenario
  • Our advantage
  • FAQ

Specification

Electrical performance parameter
Temperature range -65~+165°C (PE Cable -40~+85°C)
Frequency RangeDC~6GHz
Working Voltage335V max
Withstand Voltage1000V rms
Contact resistance
Center Contact≤ 3 mΩ
Outer Contact≤ 2 mΩ
Insulation resistance≥ 5000 MΩ
Insertion loss≤0.15 dB/6GHz
V.S.W.R ≤1.15
Durability(mating)≥500次(cycles)
shellbrass gold
contact pin/ socketbrass gold/beryllium gold
insulator PTFE
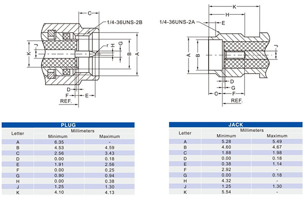
The TYPE SMA rf coaxial connector was designed by Bendix Corporation and Omni-Spectra as an OSM connector in the late 1950s and was one of the most commonly used RF/microwave connectors at the time. Generally, THE SMA connector is connected to the SMA905 optical fiber, and the standard size of the MA905 optical fiber connector is the core diameter, core length and nut specification, which are 3.172mm, 9.8mm and 1/4 to 36 threads respectively.


Application scenario

Main applications: Aerospace, defense, instrumentation, medical, commercial vehicles, Bluetooth, GPS, communications, base station, data, wireless area network,etc

Our advantage

SMA joint has the characteristics of small size, high reliability, wide frequency band, excellent performance and long life, so it is suitable for microwave equipment and digital communication system in the rf loop to connect rf cable or microstrip line.

FAQ

-->
Antenna

    TV Antenna

    Car Antenna

    router Antenna

    Antenna Jammer

    Anti drone Antenna

    Base station antenna

    Marine Radio Antenna





IOT

    3G

    4G

    5G

    GPS

    VHF

    UHF





CONTACT US

    facebook.jpg    linkedin.jpg   pinterest.jpg   twitter.jpg

    Taiwan Yong-shun Technology Co., Ltd.

    Kent Yang

    E-mail:kent@yong-shun.com.tw

    E-mail:chieh@yong-shun.com.tw

    whatsApp+86 138 2884 0866

    Phone:886 981 660 710




Copyright © Taiwan Yong-shun Technology Co., Ltd. All Rights Reserved

Top